Маркировка по взрывозащите 1ExeIIBT5Gb | Материал Алюминиевый сплав |
Количество клемм 9 | Степень защиты IP66 |
Максимальное сечение присоединяемых проводов, мм? 2.5 | Диапазон рабочих температур, °С -60…+85 |
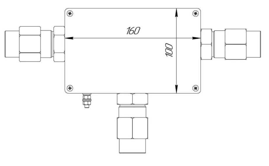
Количество кабельных вводов 3 | Габаритные размеры мм 160х100х80 |
